Home | Technik im Aladin in Bremen | CD-Player Reparaturanleitung deutsch und englisch | µ Controller
 Bauanleitung Stereosender | Fernseh DX | Gästebuch | Downloads
  
Links zum Thema
Weitere Internetseiten die sich mit dem Stereocoder und UKW-Sender befassen
Downloads
Alle Schaltpläne und Layoutdateien können hier heruntergeladen werden
Foren
Zwei Foren, die sich mit dem Senderbau befassen
UKW-Sender Forum
Senderbau und HF-Technik
UKW-Sender
Schaltpläne für UKW-Sender
Stereocoder
Stereocoder für den UKW-Sender
Tiefpassfilter Tschebyscheff
Berechnung Tiefpassfilter 10. Ordnung nach dem Tschebyscheff-
Verfahren
Transistor Eingangs-
vorverstärker

Berechnung eines 2-stufigen Transistor-
vorverstärker
  
Zum schnellen Auffinden der Kapitel, sind hier nachfolgend alle Links zu den Überschriften aufgeführt:

1.0 Einleitung

Wenn der Stereocoder nicht mit einem CD-Player, sondern mit einem Tape Deck oder einer nicht so signalstarken Quelle angesteuert wird, dann muss der Signalpegel etwas angehoben werden. Dies geschieht mit einem kleinen NF-Vorverstärker. Dieser NF-Vorverstärker besteht aus zwei Transistoren und beinhaltet gleich die erforderliche PRE-Emphasis für den Stereocoder.
Sicherlich kann man dieses auch gut mit einem Operationsverstärker realisieren, hier wird jedoch der 2-stufige Transistorverstärker mit Emittergegenkopplung vorgestellt.

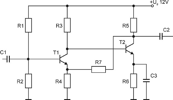
Die Schaltung ist in der nächsten Abbildung zu sehen. Zu den gegebenen Daten: Die Betriebsspannung beträgt hier 12V, und als Lastwiderstand am Ausgang habe ich 1,8k angenommen. Den maximalen Verstärkungsfaktor habe ich mit 20 vorgesehen. Das reicht immer aus, denn die angeschlossen Geräte haben ja meist eine recht hohe Ausgangsspannung.
Eine frequenzmäßige Stromgegenkopplung ist auch eingebaut, denn für die PRE-Emphasis ist eine Zeitkonstante von 50µs vorgesehen.

1.1 Schaltungsbeschreibung

Die Transistoren T1 und T2 arbeiten in der Emittergrundschaltung. Kennzeichen dieser Grundschaltung ist, dass der Emitter gegen Masse liegt und das Signal am Kollektor abgegriffen wird. Die Basis von T1 wird fest über einen Spannungsteiler auf einen festen Spannungswert gehalten. Beide Stufen besitzen eine Stromgegenkopplung (für T1 ist es R4 und für T2 ist es R6). Diese Stromgegengekopplung bewirkt eine Temperaturstabilät der Schaltung. Diese Stromgegenkopplung ist jedoch an T2 durch den Kondenstor wechselspannungsmäßig aufgehoben worden. Denn für die Wechselspannung stellt der Kondensator einen kleinen Widerstand dar. Je höher die Frequenz ist, desto kleiner wird der Widerstand vom Kondensator und desto geringer ist die Stromgegenkopplung. Das hat zur Folge, dass die Verstärkung höher wird, als im niederfrequenten Bereich. Die Grenzfrequenz beträgt 3,183kHz. Das ist auch gleichzeitig die erforderliche PRE-Emphasis von 50µs.
Das NF-Signal wird an C1 eingespeist und an C2 ausgekoppelt. Jeder Transistor dreht die Phase des Signals um 180°. Mit dem Widerstand R7 wird die Verstärkung fest auf 20 eingestellt. Der Transistor T2 arbeitet im A-Betrieb. Dadurch ist es gewährleistet, dass beiden Halbwellen symmetrisch verstärkt werden und dadurch die Verzerrungen minimal sind.

Damit man sich die Kennlinien und die Berechnung gleichzeit hier anzeigen lassen kann, habe ich alle Kennlinien nochmal als Popup-Fenster hier aufgeführt. Hier alle Kennlinien und das Schaltbild des Verstärkers als Popup-Fenster:

Zum Einstieg das Schaltbild des 2-stufigen Transistorvorverstärkers:

Vorverstärker mit PRE-Emphasis

Abb. 1: NF-Vorverstärker mit PRE-Emphasis

1.2 Festlegen der Parameter für den 2-stufigen Transistorverstärker

Damit die Schaltung auch berechnet werden kann, müssen einige Parameter (Werte) von uns festgelegt werden. Die folgende Aufzählung zeigt die Festlegungen.

  • Die Spannungen an den beiden Emittern werden mit T1=1V und bei T2 mit 2,5V festgesetzt.
    Die Emitterspannung an T1 sollte nicht zu hoch gewählt werden. Die Emitterspannung an T2 sollte ca. 15 - 30% von der Betriebsspannung betragen. Das ist mit 2,5V der Fall.
  • Der Kollektorstrom von T1 wird mit 1mA festgelegt
  • Die Verstärkung soll 20 betragen
  • Die untere Grenzfrequenz bei der Stromgegenkopplung beträgt 3,183kHz (T=50µs)
  • Es kommt die B-Version zum Einsatz. Die Bezeichnung lautet BC 546B
  • Als Berechnungsgrundlage wird eine Raumtemperatur von 25°C angenommen
  • Der Lastwiderstand beträgt 1,8k
  • Der Querstrom (Iq) soll das 5fache des Basisstroms (Ib) sein
  • Der Transistor T2 arbeitet im A-Betrieb

1.3 Berechnung der Schaltung

1.3.1 Berechnung der Widerstände

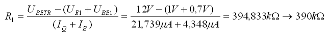
Es liegen jetzt alle Werte fest und es kann berechnet werden. Als ersten werden die Widerstände ausgerechnet. R4 wird nach der Formel 1.1 wie Folgt errechnet:

Formel 1.1

Abb. 2: Formel 1.1

Hier ist noch anzumerken, dass die Formal 1.1 nicht ganz richtig ist. Hier ist der Kollektorstrom von T1 für die Berechnung herangezogen worden. Genau genommen muss es der Emitterstrom sein. Der Unterschied ist jedoch so gering, dass es beim Ergebnis nur eine Kommastelle ausmachen würde. Der Emitterstrom ist die Summe vom Kollektorstrom un dem Basisstrom (Ie=Ic+Ib).

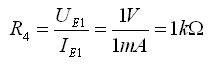
Um den Widerstand R2 ausrechnen zu können, müssen wird den Querstrom haben. Um den Querstrom zu errechenen, müssen wir den Basisstrom haben. Die Spannung an R2 setzt wie Folgt zusammen:
Die Spannung vom Emitter T1 und von der Basis-Emitterstrecke von T1 muss addiert werden. Der Strom von R2 ist der Querstrom. Der Basisstrom muss daher noch errechnet werden. Dann muss nur noch der Basisstrom mit 5 multipliziert werden (Vorgabe siehe weiter oben). Wir haben den Kollektorstrom (1mA). Jetzt benötigen wir die Kennlinie für die Gleichstromverstärkung (B). Es sind hier drei Linien zu sehen. Wir nehmen die Linie für 25°C.

Kennlinie Gleichstromverstärkung

Abb. 3: Kennlinie Gleichstromverstärkung

Zur besseren Übersicht habe ich das gleiche Bild noch einmal hier eingefügt. Hier habe ich die Kennlinie für 25°C und den Kollektorstrom von 1mA farblich kenntlich gemacht.

Kennlinie Gleichstromverstärkung

Abb. 4: Kennlinie Gleichstromverstärkung (farblich)

An den beiden grünen Schnittpunkten wird der Wert abgelesen. Hier kann man den Wert für die Stromverstärkung von 230 ablesen. Jetzt lässt sich der Basisstrom errechnen.

Formel 1.2

Abb. 5: Formel 1.2

Der Querstrom ist das fünffache des Basisstroms. Der Querstrom ist das Gleiche wie der Strom durch R2. Jetzt wird mit 5 multipliziert.

Formel 1.3

Abb. 6: Formel 1.3

Jetzt kann der Widerstand R2 berechnet. Dazu dient die Formel 1.2.

Formel 1.4

Abb. 7: Formel 1.4

Kommen wir zu R1. Die Spannung an R1 ist einfach zu errechnen. Die Spannung von R2 muss von der Betriebsspannung abgezogen werden (Reihenschaltung von R1 und R2). Der Strom durch R1 ist auch einfach zu errechnen. Es ist der Querstrom (also durch R2) und der Basisstrom (Stromteilerregel). Hier die Formel dazu:

Formel 1.5

Abb. 8: Formel 1.5

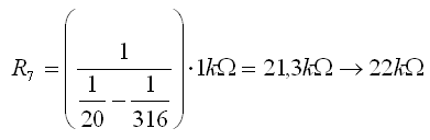
Jetzt bleibt von den Widerständen noch der Widerstand R7 übrig. Dieser Widerstand bestimmt die Verstärkung der Schaltung. Man könnte dort jetzt ein Poti einbauen und solange daran drehen, bis die Verstärkung von 20 erreicht ist. Das machen wir nicht, sondern errechnen ihn. Zur Berechnung benötigen wir die h-Parameter (Hybrid-Parameter). Diese h-Parameter sind im Datenblatt vom BC 547. Leider habe ich kein komplettes Datenblatt vom BC 547 mehr gefunden. Daher habe ich mein Datenblatt vom BC 547 eingescannt und hier als PDF-Datei zur Verfügung gestellt. Die wichtigsten Kennlinien habe ich hier aufgeführt. Damit man den Ablesepunkt nachvollziehen kann, habe ich in allen nachfolgenden Abbildungen die Ablesepunkte mit Rot gekennzeichnet.
Im Internet gibt es einige Datenblätter in verschiedenen Ausführungen vom BC 547. Ein Datenblatt aus dem Internet enthält ein Kennlinienfeld mit h-Parametern für die Stromabhängigkeit. Das Kennlinienfeld mit den h-Parametern für die Spannungsabhängigkeit fehlte jedesmal. Daher werden hier die Kennlinienfelder der h-Parameter vom BC 107 genommen. Die Transistoren BC 107, BC 237 und BC 547 sind sich sehr ähnlich.

Kennlinien h-Parameter

Abb. 9: Kennlinienfeld h-Parameter (Stromabhängigkeit)

Kennlinien h-Parameter

Abb. 10: Kennlinienfeld h-Parameter (Spannungsabhängigkeit)

In diesen beiden Kennlinienfeldern werden die Korrekturwerte für die Werte Kleinsignalverstärkung, Eingangsimpedanz und Ausgangsimpedanz ermittelt. Die festen Werte gelten für die Kollektor-Emitterspannung von 5V und bei einem Kollektorstrom von 2mA. Nun haben wir aber nicht zufällig diese Werte. Folglich gelten dann auch nicht mehr die Werte, die am Anfang des Datenblatts stehen. Diese Werte müssen korrigiert werden. Dazu dienen die beiden vorherige Abbildungen mit den h-Parametern.
Die Skalierung in der vertikalen und horizontalen Achse ist logaritmisch. Ist ein Wert genau zwischen den Zahlen 100 und 200, dann wäre das bei einer linearen Achse der Wert 5, bei der logaritmischen Achse sind es jedoch 1,69. Wer das nicht versteht, muss sich mit dem Thema Logarithmus befassen.
Das Kennlinienfeld in der nächsten Abbildung ist für T1. T1 arbeitet mit einer Kollektor-Emitterspannung von 2,2V und einem Kollektorstrom von 1mA. Die Spannungkorrektur ist in Blau eingezeichnet, die für den Kollektorstrom in Rot.
Hier für dieses Kennlinienfeld der h-Parameter nocheinmal die beiden Stromstärkenangaben zum Ablesen der Korrekturwerte:

  • IC von T1 = 1mA
  • IC von T2 = 4mA

Kennlinien h-Parameter

Abb. 11: Kennlinienfeld h-Parameter (Stromabhängigkeit)

Und das Gleiche für die Spannungsabhängigkeit:

  • UCE von T1 = 2,2V
  • UCE von T2 = 4,75V

Kennlinien h-Parameter

Abb. 12: Kennlinienfeld h-Parameter (Spannungsabhängigkeit)

Jetzt haben wir alle Parameter und Hilfsmittel zusammen und können den Widerstand berechnen. Jetzt werden alle Korrekturwerte abgelesen. Zur Vorgehensweise: Der Grundwert (gilt für IC=2mA und UCE=5V) wird eingetragen. Dann der Korrekturwert für den Strom und dahinter für die Spannung. Das wird dann alles miteinander multipliziert. Das Ergebnis ist dann der Wert, der für den aktuellen Kollektorstrom und der UCE-Spannung gilt.

Formel 1.6

Abb. 13: Formel 1.6

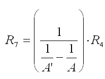
Jetzt haben wir die Werte und können diese in die nächste Formel einsetzen. Hier die Formel für den Widerstand R7.

Formel 1.7

Abb. 14: Formel 1.7

Die Verstärkung A' ist uns bekannt. Die haben wir mit dem Faktor 20 festgelegt. Aber wie man die Verstärkung A heran? Das ist in der nächsten Formel beschrieben.

Formel 1.8

Abb. 15: Formel 1.8

Die parallelen Schrägstriche bedeuten, dass die beiden Widerstände parallel zusammgeschaltet sind und dementsprechend auszurechnen sind. Wir haben jetzt alle Werte zusammen. R7 kann errechnet werden.

Formel 1.9

Abb. 16: Formel 1.9

1.3.2 Berechnung der Kondensatoren

Jetzt kommen wir zu den Kondensatoren. Es gibt dort den Einkoppelkondensator C1, den Auskoppelkondensator C2 und der Kondensator C3. C3 (CE) überbrückt die Gleichstrombegrenzung wechselspannungsmäßig. Siehe dazu den Text zur Schaltungsbeschreibung weiter oben. Zu den Formeln. Auf dem Bruchstrich steht immer der Wert von Wurzel 3. Die drei besagt, dass wir in unserer Schaltung 3 Kondensatoren haben. C1 wird nach der Formel 1.10 errechnet. Zu den weiteren Formeln gibt es nichts besonderes zu sagen. Alle Werte haben wir weiter oben schon errechnet, bzw. abgelesen.

Formel 1.10

Abb. 17: Formel 1.10

Hier haben wir noch eine unbekannte Größe. Diese Formel habe ich in Formel 1.11 genauer aufgeschrieben. D.h. hier keine Schreibeweise mit doppelten Schrägstriche.
Hier die Schreibweise mit den doppelten Schrägstrichen:

Formel 1.11

Abb. 18: Formel 1.11

Hier die genaue Ausführung:

Formel 1.12

Abb. 19: Formel 1.11

Die Kondensatoren C2 und C3, bzw. CE folgen jetzt.

Formel 1.13

Abb. 20: Formel 1.13

Formel 1.14

Abb. 21: Formel 1.14

1.4 Schlussbemerkungen, Überprüfung der Schaltung

Der kleine Verstärker ist jetzt errechnet worden. Nun gibt es ja noch die Praxis. Dort sieht es meistens etwas anders aus. Der Verstärker mit den errechneten Bauteilen hat nicht genau die Werte, die er eigentlich haben sollte. Woran kann es liegen?
Die Widerstände und die Kondensatoren haben Toleranzen. Gerade die Kondensatoren haben meistens mehr Toleranzen. Dann unsere Auf- und Abrundungen der Werte. Es lässt sich ja nicht vermeiden.
Um den Verstärker doch so zu konstruieren wie er von seinen Werten sein soll, kann man jetzt das Probieren anfangen und Widerstände in ihren Werten leicht verändern.
Eine Kontrolle aller Gleichspannungen, sowie eine Einspeisung eines Sinussignals und den Ausgang mit einem Oszilloskop betrachten gehöhren zur Endkontrolle dazu.

 © Ralph Toman 2005   
 
 
Kontakt
Sitemap